产品配置无应力平场消色差物镜与大视野目镜,高精度偏光载物台,优良的偏振观察附件等。可在透射偏光、反射偏光与透/反射偏光状态下获得良好的显微图像,仪器机械性能优良,观察舒适
咨询热线:17355132687 / 0551-64479320
服务承诺:一年保修,终身维护
温馨提示
价格咨询请点击此处,将有专业在线工程师为您服务,也可以来电咨询:
0551-64479320/17355132687!
一. 用途
WMP-6309型透反射偏光显微镜主要用于鉴别具有双折射特性的物质,地质学和机械、冶金部门用来研究结晶、矿物、岩石和金相组织的重要工具。透反射偏光显微镜配置无应力平场消色差物镜与大视野目镜,高精度偏光载物台,优良的偏振观察附件等。可在透射偏光、反射偏光与透/反射偏光状态下获得良好的显微图像,仪器机械性能优良,观察舒适,操作方便,是厂矿企业、科研院所进行检测、研究与教学的理想仪器。
二. 系统简介
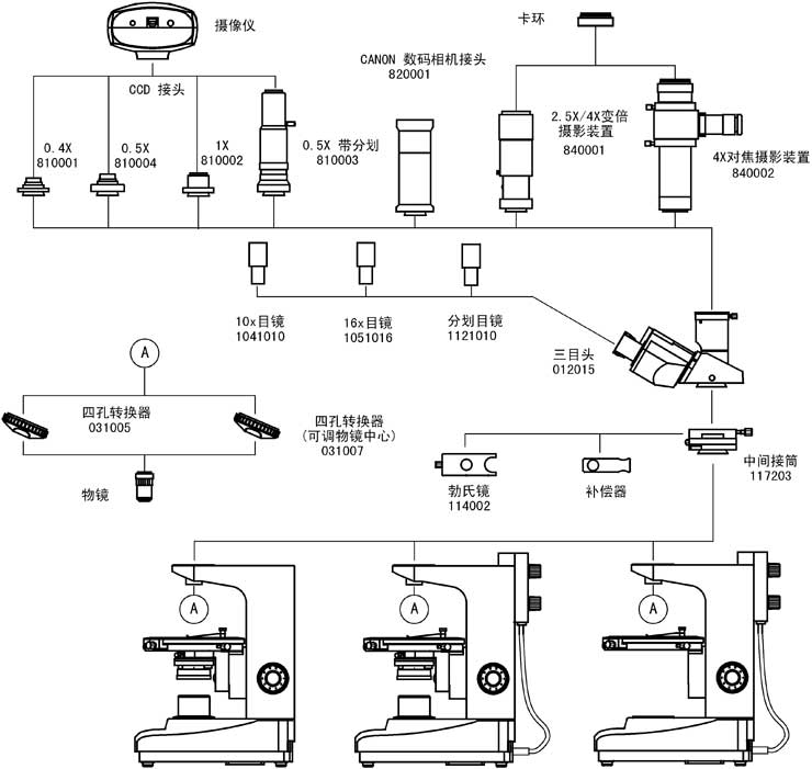
透反射偏光显微镜WMP-6309型有图像输出系统。可将传统的光学显微镜与电脑计算机(数码相机)通过光电转换有机的结合在一起,不仅可以在目镜上作显微观察,还能在电脑计算机(数码相机)显示屏幕上观察实时动态图像,并能将所需要的图片进行编辑、保存和打印。电脑型透反射偏光显微镜(WMP-6309C型),通过配置专业工业相机,可以于电脑连接,配合偏光二维测量软件可做岩相分析,岩相测量,可打印报告,保存报告。具有丰富的拓展功能。WMP-6309型透反射偏光显微镜为不方便接入电脑的使用者设置了数码型岩相显微镜(WMP-6309D型)。通过配置数码相机,单反相机来获取金相组织照片,后期再通过导入电脑做岩相分析报告
性能特点
▲ 可选透射照明,落射照明或者透反射照明。
▲ 配置无应力平场物镜(中心可调)与大视野目镜。
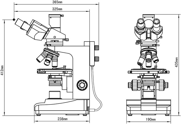
▲ 粗微动同轴调焦机构,粗动松紧可调,带限位锁紧装置,微动格值: 2μm。
▲ 旋转式载物台,360°等分刻度,游标格值6',中心可调,带锁紧装置,工作台垂直有效行程可达 30mm。
▲ 宽电压电源(85-265V 47-60HZ). 6V20W卤素灯照明,亮度可调。






WMP-6309透反射偏光显微镜 | |||||
目镜大视野 WF10X (Φ18mm)分划目镜 10X (Φ18mm) 0.10mm/div物镜 (中心可调)无应力平场消色差物镜(无盖玻片) PL 5X/0.12无应力平场消色差物镜(无盖玻片)PL L 10X/0.25无应力平场消色差物镜(无盖玻片)PL L40X/0.60 (弹簧)无应力平场消色差物镜(无盖玻片)PL L 60X/0.75 (弹簧) | 起偏器 | ||||
光源卤素灯,亮度可调 | 起偏器可360°旋转,有0、90、180、270四个读数 | 卤素灯照明适用 | 6V 20W | ||
| N.A. 1.25 | ||||
目镜筒三目镜,倾斜30˚,可进行100%透光摄影 |
| ||||
推入式勃氏镜,中心可调 | |||||
| |||||
石英锲补偿器转换器 四孔(外向式滚珠内定位) |
| ||||
载物台旋转式载物台,直径:Φ150mm,360°等分刻度,游标格值6',中心可调,带锁紧装置系统组成 | 数码型(WMP-6309D): 1.偏光显微镜 2.适配镜 3.数码相机(选购) | ||||
名称类别/技术参数
| |||
|
| ||
PL 100X/1.25 ( | |||
| |||
| |||
| |||
| |||
转换器四孔(外向式滚珠内定位),可调节物镜中心 |
| ||
CCD接头 | |||
0.5X | |||
0.5X | |||
摄像仪带USB和Video输出带USB输出带Video输出 | 2.5X/4X | ||
4X对焦摄影装置 | |||
PK卡环 | CANON (A610,A620,A630,A640) | 偏光分析软件 |




地址:安徽省合肥市蜀山区九龙路478号
TEL: 17355132687,0551-64479320安徽无陌光学仪器有限公司版权所有 备案号:皖ICP备2024037867号-1 地址: 安徽省合肥市蜀山区九龙路478号
全国统一服务热线:0551-64479320