WMJ-9960 集成了明场、暗场、偏光、DIC 等多种观察功能。 广泛应用于半导体、FPD、电路封装、电路基板、材料、铸件金属陶瓷部件、精密磨具等检测。
咨询热线:17355132687 / 0551-64479320
服务承诺:一年保修,终身维护
温馨提示
价格咨询请点击此处,将有专业在线工程师为您服务,也可以来电咨询:
0551-64479320/17355132687!
产品特点:
2 . 全新离合驱动式载物台
WMJ-9960 采用离合式手柄,用户按下离合扳手就可灵活移动平台,无需长时间捏紧手柄;按下离合按钮,取消快速移动。避免长时间操作出现手麻现象,并加快观察速度。WMJ-9960 引入精密导轨传动机构,移动更轻更顺畅,产品更加稳定可靠。
3 . 安全、高速的电动式物镜转换器
设有前进、后退两档切换模式,可快速、精确定位到所需要的观察倍率,重复定位精度高。机械式的切换模式,有效提升了转换器的使用寿命。
4 . 按键触手可及,助您提高工作效率
WMJ-9960 物镜与孔径光阑采用全新的电动控制系统,其操作按键位于仪器正前方,让您触手可及。人性化的电动设计不仅避免了频繁的手动操作步骤,也使您的检测工作也更加精确、灵活。
5 . 丰富的应用领域
WMJ-9960 集成了明场、暗场、偏光、DIC 等多种观察功能。 广泛应用于半导体、FPD、电路封装、电路基板、材料、铸件金属陶瓷部件、精密磨具等检
6 . 防震支架设计
机身由六端支架支撑,低重心、高稳定性全金属机架,具备强效的抗震功能,确保像质稳定。
7 . 丰富的应用领域
WMJ-9960 集成了明场、暗场、偏光、DIC 等多种观察功能。 广泛应用于半导体、FPD、电路封装、电路基板、材料、铸件金属陶瓷部件、精密磨具等检
![]()
<span style="font-family:"font-size:16px;">
温馨提示
价格咨询请点击此处,将有专业在线工程师为您服务,也可以来电咨询:
0551-64479320/17355132687!
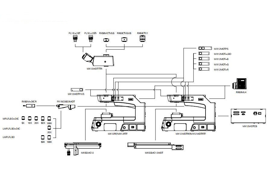
光学系统 | 无限远色差校正光学系统 |
观察方式 | 明场/暗场/偏光/DIC |
观察筒 | 无限远铰链三通观察筒,0-35°倾角可调,正像,瞳距调节 :50-76mm,分光比 100:0 或 0:100 |
目镜 | 高眼点大视野平场目镜 PL10X/25mm,视度可调,可带单刻度十字分划版 |
物镜 | 无限远明暗场半复消金相 DIC 物镜 5X 10X 20X 50X 100X |
无限远长工作距明暗场半复消金相 DIC 物镜 20X | |
无限远长工作距明暗场半复消金相物镜 50X 100X | |
转换器 | 明暗场六孔电动转换器,带 DIC 插槽 |
机架组 | 反射式机架,前置低手位粗微同轴调焦机构。粗调行程35mm,微调精度0.001mm。带有防止下滑的调节松紧装置和随机上限位装置。内置 100-240V 宽电压系统 |
透反机架,前置低手位粗微同轴调焦机构。粗调行程 35mm,微调精度 0.001mm。带有防止下滑的调节松紧装置和随机上限位装置。内置 100-240V 宽电压系统 | |
载物台 | 右手位 14×12 英寸三层机械移动平台,低手位 X、Y 方向同轴调节 ;平台面积 718mmX420mm,移动范围 :356mmX305mm |
带离合器手柄,可用于全行程范围内快速移动 ;玻璃载物台板 ( 反射用) | |
电动平台 | 面积 495mmX641mm,移动范围 :306mmX306mm ;软件控制 X、Y 移动,重复定位精度,(3+L/50)μm 带平板平台 |
照明系统 | 明暗场反射照明器 , 带可变电动孔径光阑,视场光阑 , 中心均可调 ;带明暗场照明切换装置 ;带滤色片插槽与偏光装置插槽 |
摄影摄像附件 | 0.5X/0.65X/1X 摄像接筒,C 型接口,可调焦 |
其他 | 起偏镜插板,固定式检偏镜插板,反射用干涉滤色片组 ;高精度测微尺 ;DIC 组件 |

地址:安徽省合肥市蜀山区九龙路478号
TEL: 17355132687,0551-64479320安徽无陌光学仪器有限公司版权所有 备案号:皖ICP备2024037867号-1 地址: 安徽省合肥市蜀山区九龙路478号
全国统一服务热线:0551-64479320