WMJ-9930BD采用全新设计的无限远光学系统,可广泛应用于铸造、冶炼、热处理的研究,原材料检验或材料处理分析等多种检测的倒置显微镜。
咨询热线:17355132687 / 0551-64479320
服务承诺:一年保修,终身维护
温馨提示
价格咨询请点击此处,将有专业在线工程师为您服务,也可以来电咨询:
0551-64479320/17355132687!
WMJ-9930BD 采用全新设计的无限远光学系统,可广泛应用于铸造、冶炼、热处理的研究,原材料检验或材料处理分析等多种检测的倒置显微镜。
1 . 舒适而简单的操作模式。
为满足用户长时间的观察需求,WMJ-9930BD使用低手位操作模式,配备了360°旋转双目观察筒,充分符合人体工程学观察模式。

2 . 稳定而贴心的外观设计
WMJ-9930BD机身采用全金属铸造,表面经防腐耐磨工艺处理,品质保证,坚实稳固。充分利用机身内置空间,放置仪器拆卸工具,通用于拆卸仪器的各主要部位,实用主义,收纳便捷。
3 . 前置倍率显示功能
前置物镜倍率显示功能,通过内置的倍率传感器,将当前倍率显示在仪器正前方,使研究工作更加便捷。
4 . 全新智能 ECO 系统
添加以环保、经济为理念的 ECO 红外感应系统,在显微镜长时间无操作的情况下,系统会自动关闭电源或重新开启,以节省能耗。

5 . 满足多种观察方式
涵盖明场、暗场、简易偏光、微分干涉等多种观察方式,适应多种研究需求。

温馨提示
价格咨询请点击此处,将有专业在线工程师为您服务,也可以来电咨询:
0551-64479320/17355132687!
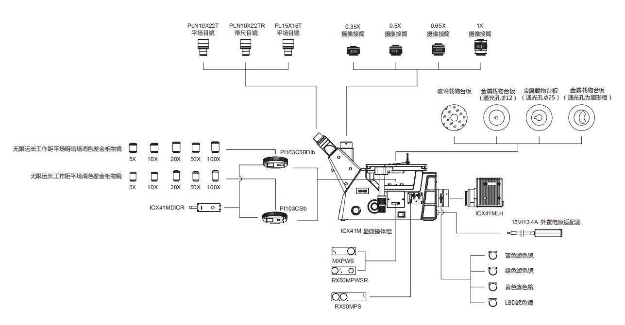
参数配置:
光学系统 | 无限远色差校正光学系统 |
观察头 | 三目观察筒 ,45°倾斜 , 铰链组可 360°旋转 , 固定式目镜筒 , 瞳距调节范围 50-75mm, 两档式分光比 :双目 : 三目 =100 :0 或 0 :100 |
目镜 | 高眼点大视野平场目镜 PL10X/22mm, 视度可调,可带测微尺 |
高眼点大视野平场目镜 PL15X/16mm, 视度可调 (选配) | |
物镜 | 无限远长工作距平场消色差金相物镜 5X、10X、20X、50X、100X |
无限远长工作距平场明暗场消色差金相物镜 5X、10X、20X、50X、100X(选配) | |
物镜转换器 | 内定位 5 孔明场转换器(带 DIC 插槽),内置倍率传感器 |
内定位 5 孔明暗场转换器(带 DIC 插槽),内置倍率传感器(选配) | |
机架 | 反射明暗场金相机架 , 采用低手位粗微调同轴 , 粗调行程 9mm, 焦面向上 6.5mm, 向下 2.5mm, 微调精度 0.002mm, 带有防止下滑的松紧调节手轮 |
带明暗场切换装置 , 带可变视场光阑、孔径光阑,中心均可调;带滤色片插槽与偏光装置插槽 , 带灯源亮度指示条,带红外感应和物镜倍率显示功能 | |
照明系统 | 采用外置式宽电压变压器 , 输入 100-240V, 输出 15V13.4A, 亮度连续可调 |
载物台 | 三层机械移动平台,平台尺寸 :240(W)×250(L),移动范围 50×50mm,双向线轨传动,右手低手位控制 |
摄影摄像附件 | 0.35X、0.5X、0.65X、1X,C 型接口,可调焦 |
其他 | 起偏镜插板,固定式检偏镜插板,360°旋转式检偏镜插板 ; DIC 微分干涉组件 ;滤色片组 ;高精度测微尺 |

地址:安徽省合肥市蜀山区九龙路478号
TEL: 17355132687,0551-64479320安徽无陌光学仪器有限公司版权所有 备案号:皖ICP备2024037867号-1 地址: 安徽省合肥市蜀山区九龙路478号
全国统一服务热线:0551-64479320