目镜:大视野WF10X分化目镜10X无应力平场消色差物镜:5X 10X40X (弹)60X(弹)
支持光学放大:50X-1000X
咨询热线:17355132687 / 0551-64479320
服务承诺:一年保修,终身维护
WMD-6950型反射矿相显微镜适合地质勘查(区域地质勘查、海洋地质勘查、水文地质勘查、工程地质勘查、环境地质勘查、固体矿产勘查、地球化学勘查)、电子、冶金、化工和仪器仪表行业用于观察半透明或不透明的物资,如矿物、金属陶瓷、集成块、印刷电路板、液晶板、薄膜、纤维、镀涂层以及其它非金属材料,适合于地质勘探、学校、科研部门作观察分析用。
|
型号 |
WMD-6950(反射照明) |
|
|
目镜 |
大视野 WF10X (Φ18mm) |
|
|
分划目镜 10X (Φ18mm) 0.10mm/div |
||
|
物镜 (中心可 调) |
无应力平场消色差物镜(无盖玻片)PL L5X/0.12 |
|
|
无应力平场消色差物镜(无盖玻片)PL L 10X/0.25 |
||
|
无应力平场消色差物镜(无盖玻片)PL L40X/0.60 (弹簧) |
||
|
无应力平场消色差物镜(无盖玻片)PL L 60X/0.75 (弹簧) |
||
|
反射 照明 |
起偏器 |
可旋转 |
|
光源 |
6V 20W 卤素灯,亮度可调 |
|
|
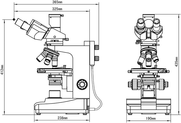
目镜筒 |
三目镜,倾斜30˚,可进行100%透光摄影 |
|
|
中间接筒 |
内置检偏器, 可自由切换正常观察与偏光观察,90°旋转,带刻度,游标格值12' |
|
|
推入式勃氏镜,中心可调 |
||
|
λ补偿器 |
||
|
λ/4 补偿器 |
||
|
石英锲补偿器 |
||
|
转换器 |
四孔(外向式滚珠内定位) |
|
|
调焦机构 |
粗微动同轴调焦, 微动格值:2μm,带锁紧和限位装置 |
|
|
载物台 |
旋转式载物台,直径:Φ150mm,360°等分刻度,游标格值6',中心可调,带锁紧装置 |
|
|
防霉 |
防霉系统 |
|
|
名称 |
类别/技术参数 |
|
目镜 |
大视野 WF16X(Φ11mm) |
|
物镜 (中心可调) |
无应力平场消色差物镜(盖片:0.17mm)PL20X/0.40 |
|
无应力平场消色差物镜(盖玻片:0.17mm) PL 100X/1.25 (油,弹簧) |
|
|
无应力平场消色差物镜(无盖玻片) PL L 20X/0.40 |
|
|
无应力平场消色差物镜(无盖玻片) PL L 50X/0.70 |
|
|
无应力平场消色差物镜(无盖玻片) PL L 80X/0.80 |
|
|
无应力平场消色差物镜(干式) (无盖玻片) PL L 100X/0.85 (弹簧) |
|
|
转换器 |
四孔(外向式滚珠内定位),可调节物镜中心 |
|
移动尺 |
移动范围:30mmX25mm |
|
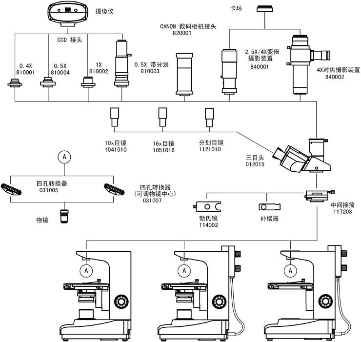
CCD接头 |
0.4X |
|
0.5X |
|
|
1X |
|
|
0.5X带分划尺,格值0.1mm/格 |
|
|
摄像仪 |
DV-1带USB和Video输出 |
|
DV-2带USB输出 |
|
|
DV-3带Video输出 |
|
|
摄影装置 |
2.5X/4X变倍摄影装置带10X取景目镜 |
|
4X对焦摄影装置 |
|
|
MD卡环 |
|
|
PK卡环 |
|
|
数码相机接头 |
CANON (A610,A620,A630,A640) |
|
软件 |
偏光分析测量软件 |
|
系统组成 |
电脑型(WMD-6950C):1.偏光显微镜 2.适配镜 3.摄像器(CCD) 4.计算机(选购) |
|
数码相机型(WMD-6950D): 1.偏光显微镜 2.适配镜 3.数码相机(选购) |



地址:安徽省合肥市蜀山区九龙路478号
TEL: 17355132687,0551-64479320安徽无陌光学仪器有限公司版权所有 备案号:皖ICP备2024037867号-1 地址: 安徽省合肥市蜀山区九龙路478号
全国统一服务热线:0551-64479320